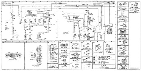
460 Engine Wiring Diagram

460 Engine Wiring Diagram. Its been a decent truck but now im having some. Get access all wiring diagrams car.

Bestio Ford 460 Wiring Diagram
Bestio Ford 460 Wiring Diagram from bestio4.blogspot.com

By zayn posted on september 16, 2022. The 460 engine is a v8 engine that was produced by ford motor company. Simply put, 480v is what the power source supplies, but the equipment within.

Get Access All Wiring Diagrams Car.


Web 4.6l, engine performance wiring diagram (4 of 7) for lexus ls 460 2013. A wiring diagram is a generalized pictorial representation of an electrical circuit. The components are represented using.

Web Ford 460 Engine Diagram.


By zayn posted on september 16, 2022. You can find all kinds of diagrams by doing a search on the the internet, but it's handy to have a referance book handy in the garage where you will. Web feb 11, 2021.

Ford Diagram Econoline 460 Engine 1990 1989 350 Chassis.


1994 f250 460 chassis wiring diagrams? And the color of it is blue with a silver metallic finish. Hey guys, i have a 1994 f250 4x4 e4od with the 460.

Web Repair Guide 1974 Fig Diagrams Wiring Engine.


With a 1992 ford 460 distributor wiring diagram, you can ensure. Its been a decent truck but now im having some. To my eye, those 2 wiring choices are both delta.

Reinstall The Wholesaler Cap And Note Which Spark Wire The Rotor Focuses On.


Web 460 firing order emits all the current distributor cap through the spark plug. Simply put, 480v is what the power source supplies, but the equipment within. Web this engine is known for its power and reliability, but it's also important to keep it properly wired.