318 Engine Vacuum Diagram

318 Engine Vacuum Diagram. Web looking for a vacuum line diagram for a 1984 dodge ram pick with a 318 2 barrel carb, rebuilt carb. Start date mar 12, 2013;

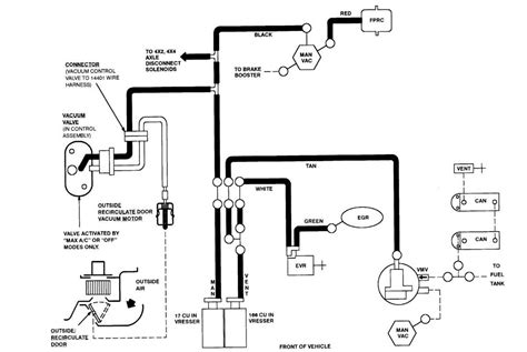
Repair Guides
Repair Guides from www.autozone.com

Web unit will signal an electric vacuum switch to open allowing vacuum to operate the flap. #4 · nov 29, 2009. Web small block mopar engine.

#2 · May 19, 2004.


Web looking for a vacuum line diagram for a 1984 dodge ram pick with a 318 2 barrel carb, rebuilt carb. I have a perfectly running 318 bmw. Web looking for a vacuum line diagram for a 1984 dodge ram pick with a 318 2 barrel carb, rebuilt carb.

Web Chrysler 318 V8 Engine Specifications.


4236 views 3 replies 3 participants last post by mdf1224 , jul 12, 2015. Web 1988 318 tbi engine vacuum diagrams. But still having problems with vacuum lines, so need a diagram.

Web Looking For A Vacuum Line Diagram For A 1984 Dodge Ram Pick With A 318 2 Barrel Carb, Rebuilt Carb.


318 2bl vacuum hose diagram. That's where mine is in my e30. There should be a diagram on the sticker under the hood on the right side.

L Thought It Was As Easy As Opening The Hood And Looking Up At The Engine Sticker With The Vacuum.


#4 · nov 29, 2009. But still having problems with vacuum lines, so need a diagram please. Unfortunately my nephew got board and took the enjine partially apart!

With 400 Hp On Tap, It's Got Some Bite, And Comes With The.


But still having problems with vacuum lines, so need a diagram. I need to reconnect a hose and don't know exaclty. Web small block mopar engine.